9888À­Ë¹Î¬¼Ó˹

9888À­Ë¹Î¬¼Ó˹(¹É·Ý)ÓÐÏÞ¹«Ë¾-¹Ù·½ÍøÕ¾
ÎÒÃǵķþÎñ

×÷ΪÖйúµÚÈý·½¼ì²âÓëÈÏÖ¤·þÎñµÄ¿ªÍØÕߺÍÁìÏÈÕß £¬CTI9888À­Ë¹Î¬¼Ó˹¼ì²âΪȫÇò¿Í»§ÌṩһվʽĥÁ·¡¢²âÊÔ¡¢Ð£×¼¡¢ÈÏÖ¤¼°ÊÖÒÕ·þÎñ¡£

9888À­Ë¹Î¬¼Ó˹(¹É·Ý)ÓÐÏÞ¹«Ë¾-¹Ù·½ÍøÕ¾
ÐÐÒµ½â¾ö¼Æ»®

·þÎñÄÜÁ¦ÒÑÖÜÈ«ÁýÕÖµ½·ÄÖ¯´ò°ç¼°Ð¬°ü¡¢Ó¤Í¯Íæ¾ß¼°¼Ò¾ÓÉúÑÄ¡¢µç×ÓµçÆ÷¡¢Ò½Ñ§¿µ½¡¡¢Ê³Îï¼°Å©²úÆ·……µÈÐÐÒµµÄ¹©Ó¦Á´ÉÏÏÂÓΡ£

9888À­Ë¹Î¬¼Ó˹(¹É·Ý)ÓÐÏÞ¹«Ë¾-¹Ù·½ÍøÕ¾
ÌØÉ«·þÎñ

ÖÜÈ«°ü¹ÜÆ·ÖÊÓëÇå¾² £¬Íƶ¯ºÏ¹æÓëÁ¢Òì £¬ÕÃÏÔÆ·ÅƾºÕùÁ¦ £¬ÊµÏÖ¸ü¸ßÖÊÁ¿¡¢¸ü¿µ½¡¡¢¸üÇå¾²¡¢¸üÂÌÉ«µÄ¿ÉÒ»Á¬Éú³¤¡£

¼ÓÈëÎÒÃÇ
È˲ÅÕþ²ß
ÕÐÏÍÄÉÊ¿
9888À­Ë¹Î¬¼Ó˹(¹É·Ý)ÓÐÏÞ¹«Ë¾-¹Ù·½ÍøÕ¾
È˲ÅÕþ²ß
°ü¹ÜÔ±¹¤»ù±¾È¨ÒæÓ븣Àû£»ÌṩרҵÊÖÒÕÅàѵ £¬Ôö½øÔ±¹¤Éú³¤£»¿ªÕ¹¸»ºñ¶à²ÊµÄ»î¶¯ £¬Æ½ºâÔ±¹¤ÊÂÇéÓëÉúÑÄ¡£
9888À­Ë¹Î¬¼Ó˹(¹É·Ý)ÓÐÏÞ¹«Ë¾-¹Ù·½ÍøÕ¾
ÕÐÏÍÄÉÊ¿
½Ó´ý¼ÓÈë9888À­Ë¹Î¬¼Ó˹¼ì²â¸÷ÈËÍ¥ £¬ÎÒÃǽ«ÎªÄã´î½¨Ò»¸ö³ä·ÖÑéÕ¹²Å»ª £¬ÊµÏÖÖ°ÒµÀíÏëµÄÎę̀¡£
9888À­Ë¹Î¬¼Ó˹(¹É·Ý)ÓÐÏÞ¹«Ë¾-¹Ù·½ÍøÕ¾
ÐÂÎÅ×ÊѶ

оƬ¿É¿¿ÐÔÓ²¼þÉè¼ÆÆÊÎö£ºÎªºÎPIÒªÇó³ÉÎªÈÆ²»¿ªµÄÌôÕ½£¿

Ðû²¼Ê±¼ä£º2025-07-30 ä¯ÀÀ´ÎÊý£º558

оƬ¿É¿¿ÐÔ²âÊÔͨ³£ÊÇͨ¹ý¸ßΡ¢¸ßµçѹ¡¢¸ßθßʪºÍ³¤Ê±¼äÔËÐеÈÓ¦Á¦Ìõ¼þÀ´ÑéÖ¤ £¬È·±£µÖ´ïÉè¼ÆÄ¿µÄ¡£


¡¡¡¡¿É¿¿ÐÔ²âÊÔÓ²¼þµçÔ´ÍêÕûÐÔÖ±½ÓÓ°Ïì¿É¿¿ÐÔʵÑéµÄ׼ȷÐÔ¡¢¿É¿¿¶ÈºÍЧÂÊ¡£

 

HTOL Burn-In Board &THB Board


¿É¿¿ÐÔ²âÊÔ°åµÄÌØµãÓëPIÐèÇó


¡¡¡¡¿É¿¿ÐÔ²âÊÔ°åµÄ½¹µã¹¦Ð§ÊÇΪ¶à¸öDUTÌṩÎȹ̵ĵçÔ´¡¢Ê±ÖӺͿØÖÆÐźÅ £¬²¢ÔÚ¼«¶ËÇéÐΣ¨Èç¸ßÎÂ85¡æ~150¡æ¡¢¸ßʪ¶È85%£©Ï³¤Ê±¼ä£¨ÊýÊ®µ½ÉÏǧСʱ£©ÔËÐС£


¡¡¡¡ÓëͨË׵緰åÏà±È £¬PIÉè¼ÆÃæÁÙ¸üÌØÊâµÄÌôÕ½£º

 

  • ´ó¹æÄ£¹©µçÐèÇó

¡¡¡¡¿É¿¿ÐÔ²âÊÔ°å³£ÐèͬʱΪÊýÊ®ÉõÖÁÉϰٸöDUT¹©µç £¬Ã¿¸öDUTµÄ¹¦ºÄ¿ÉÄÜËæ²âÊÔ½×¶Îת±ä£¨Èç´Ó´ý»úµ½Âú¸ºÔØÇл»£© £¬µ¼ÖÂ×ܵçÁ÷¶¯Ì¬¹æÄ£´ó£¨¿ÉÄÜ´Ó¼¸°²µ½¼¸Ê®°²£© £¬¶ÔµçԴ˲̬ÏìÓ¦ÒªÇó¸ß¡£

  • ¸ßÎÂÇéÐÎϵÄ×é¼þÎȹÌÐÔ

¡¡¡¡¿É¿¿ÐÔ²âÊÔͨ³£ÔÚ¸ßÎÂÏäÄÚ¾ÙÐÐ £¬µçÔ´×é¼þ£¨ÈçµçÈÝ¡¢DC-DCת»»Æ÷¡¢ÅþÁ¬Æ÷£©µÄ²ÎÊý»áËæÎ¶Èת±ä£¨ÈçµçÈÝÈÝֵϽµ¡¢ESRÔö´ó £¬Æ÷¼þµ¼Í¨µç×èÔöÌí£© £¬¿ÉÄܵ¼ÖµçÔ´ÎÆ²¨Ôö´ó¡¢Ð§ÂʽµµÍ £¬ÉõÖÁʧЧ¡£

  • ³¤Ê±ÔËÐеĿɿ¿ÐÔ

¡¡¡¡¿É¿¿ÐÔ²âÊÔÒ»Á¬Ê±¼ä³¤£¨Èç1000Сʱ£© £¬µçÔ´ÍøÂçµÄϸСȱÏÝ£¨Èç½Ó´¥µç×è¹ý´ó¡¢µçÈÝÀÏ»¯£©¿ÉÄÜËæÊ±¼äÀÛ»ý £¬µ¼ÖµçÑ¹Æ¯ÒÆ»òÔëÉù³¬±ê £¬Ó°Ïì²âÊÔЧ¹û£¨ÈçÎóÅÐÆ÷¼þʧЧ£©¡£

  • Çå¾²ÐÔÓë±£»¤ÐèÇó

¡¡¡¡DUTÔÚ¿É¿¿ÐÔ²âÊÔÀú³ÌÖпÉÄܱ¬·¢¶Ì·¡¢¹ýÁ÷µÈ¹ÊÕÏ £¬ÈôµçԴϵͳÎÞ±£»¤¹¦Ð§ £¬¿ÉÄÜÏú»Ù²âÊÔ°å»ò²âÊÔ×°±¸ £¬Òò´ËPIÉè¼ÆÐèÍŽá¹ýÁ÷¡¢¹ýѹ±£»¤µç·¡£


²âÊÔ°åPIµÄÒªº¦Éè¼ÆÒªµã


¡¡¡¡²âÊÔ°åµÄµçÔ´ÍêÕûÐÔÉè¼ÆÐèÖØµã¹Ø×¢ÒÔÏ·½Ã棺

  • µçÔ´·ÖÅÉÍøÂ磨PDN£©µÄ×迹¿ØÖÆ

¡¡¡¡¿É¿¿ÐÔ²âÊÔ°åµÄPDNÐèÔÚ¿íÆµÂʹæÄ££¨DCµ½MHz¼¶£©ÄÚ¿ØÖÆ×迹 £¬×èÖ¹Òò¸ºÔصçÁ÷²¨¶¯µ¼Öµçѹ³¬±ê¡£

  • µÍ×迹·¾¶Éè¼Æ

¡¡¡¡½ÓÄɺñÍ­µçÔ´²ã£¨Èç2ozÍ­£©ºÍ´óÃæ»ý½ÓµØ²ã £¬½µµÍµ¼Ìåµç×èºÍµç¸Ð£»Ëõ¶ÌµçԴ·¾¶³¤¶È £¬ïÔÌ­¼ÄÉú²ÎÊý¡£

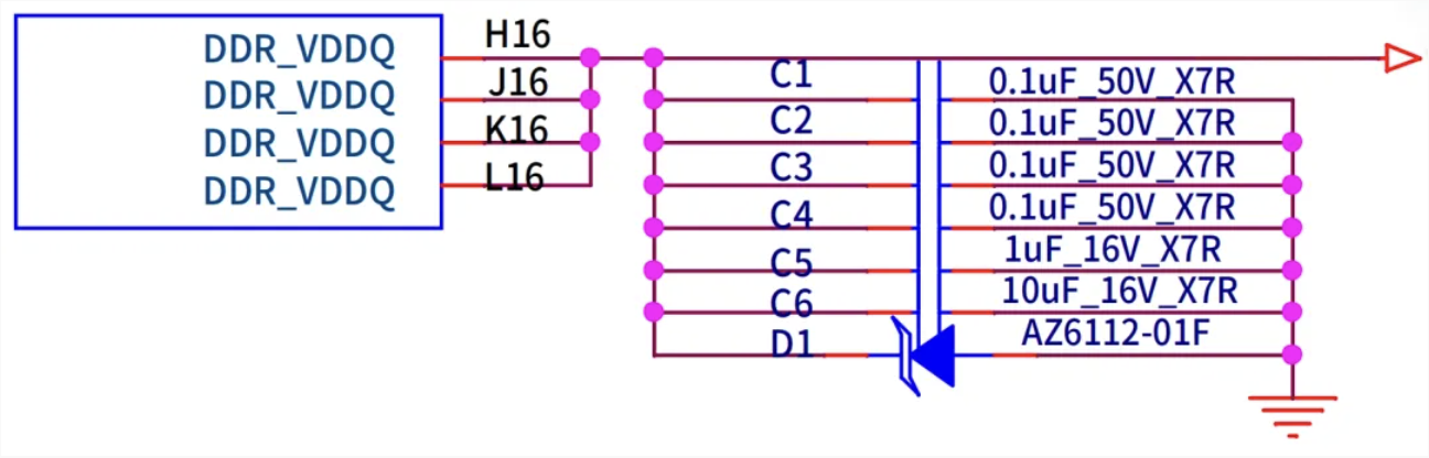
  • È¥ñîµçÈݵĸßÎÂÊÊÅä

¡¡¡¡A¡¢Ñ¡ÓÃÄ͸ßεçÈÝ£¨ÈçX7R/X8R²ÄÖÊÌմɵçÈÝ £¬ÄÍÎÂ≥125¡æ£»¹Ì̬µç½âµçÈÝ £¬ÄÍÎÂ≥105¡æ£© £¬×èÖ¹¸ßÎÂÏÂÈÝÖµÖè½µ¡£
¡¡¡¡B¡¢Õë¶Ô¸ßƵÔëÉù£¨ÈçDUT¿ª¹ØÔëÉù£© £¬ÔÚDUTµçÔ´Òý½ÅÖÜΧ°²ÅÅСÈÝÖµ£¨Èç0.1μF~10μF£©¸ßÎÂÌմɵçÈÝ £¬½µµÍ¸ßƵ×迹£»Õë¶ÔµÍÆµÎÆ²¨ £¬ÔÚµçÔ´Èë¿Ú´¦°²ÅÅ´óÈÝÖµ£¨Èç100μF~1000μF£©¹Ì̬µçÈÝ £¬Îȹ̵çѹ¡£

 

 

  • Ä¿µÄ×迹ÅÌËã

¡¡¡¡Æ¾Ö¤DUT×î´ó˲̬µçÁ÷£¨ΔI£©ºÍÔÊÐíµçѹ²¨¶¯£¨ΔV £¬Í¨³£ÎªDUT±ê³ÆµçѹµÄ±5%~±10%£© £¬ÅÌËãÄ¿µÄ×迹Z_target=ΔV/ΔI £¬È·±£PDNÔÚÊÂÇ鯵ÂʹæÄ£ÄÚ×迹≤Z_target¡£
¡¡¡¡

˲̬ÏìÓ¦Óë¸ºÔØË³Ó¦ÐÔ


¡¡¡¡²âÊÔ°åÐèÓ¦¶Ô¶àDUTͬʱÇл»¸ºÔصÄ˲̬µçÁ÷¹¥»÷¡£

  • µçÔ´Ä£¿éµÄ˲̬ÏìÓ¦

¡¡¡¡Ñ¡Ôñ˲̬ÏìÓ¦¿ìµÄDC-DCת»»Æ÷£¨ÈçÏìӦʱ¼ä≤100μs£© £¬»òÔÚµçÔ´Êä³ö¶Ë²¢Áª¸ßƵȥñîµçÈÝ£¨Èç0402·â×°µÄ100nFÌմɵçÈÝ£© £¬Ê¹ÓõçÈݵĿìËÙ³ä·ÅµçÌØÕ÷ÒÖÖÆµçѹËúÏÝ¡£

  • ²¼ÏßÓÅ»¯

¡¡¡¡µçԴ·¾¶£¨ÓÈÆäÊÇ´óµçÁ÷»ØÂ·£©½ÓÄɶ̡¢´Ö¡¢Ö±µÄ²¼Ïß £¬ïÔÌ­¼ÄÉúµç¸Ð£¨L£© £¬½µµÍ˲̬µçѹ²¨¶¯£¨ΔV=L×di/dt£©£»¶àDUTµÄµçԴ·¾¶Ö»¹Ü×ÔÁ¦ £¬×èÖ¹Ï໥ñîºÏ¡£

  • ·ÖÇø¸ôÀë

¡¡¡¡½«µçÔ´µç·ÓëÐźŵç·ÔÚPCBÉÏÎïÀí¸ôÀ루Èçͨ¹ý½ÓµØÆ½ÃæÍÑÀ룩 £¬×èÖ¹µçÔ´ÔëÉùͨ¹ý´«µ¼»ò·øÉäñîºÏµ½ÐźÅÁ´Â·¡£


±£»¤µç·Éè¼Æ


¡¡¡¡Îª×èÖ¹DUT¹ÊÕÏÓ°ÏìµçԴϵͳ £¬Ðè¼ÓÈë±£»¤»úÖÆ£º

  • ¹ýÁ÷±£»¤£¨OCP£©

¡¡¡¡ÔÚÿ·DUTµÄµçԴ·¾¶Öд®ÁªÏÞÁ÷µç×è £¬µ±µçÁ÷Áè¼Ýʱ×Ô¶¯ÇжϹ©µç¡£

  • ¹ýѹ±£»¤£¨OVP£©

¡¡¡¡Í¨¹ýµçѹ½ÏÁ¿Æ÷¼à²âDUT¹©µçµçѹ £¬Áè¼Ýʱ´¥·¢¼ÌµçÆ÷ÇжϵçÔ´ £¬±ÜÃâ¸ßµçѹËð»µDUT¡£


¡¡¡¡¿É¿¿ÐÔ²âÊÔ°åµÄµçÔ´ÍêÕûÐÔ£¨PI£©Éè¼ÆÊǿɿ¿ÐÔÑéÖ¤µÄ½¹µã £¬ÐèÔÚ¶à¸ºÔØ¡¢¸ßθßʪ¼°³¤Ê±ÔËÐеļ«¶ËÌõ¼þÏ £¬ÎªDUTÌṩÎȹ̡¢Çå½à¡¢Çå¾²µÄµçÔ´¡£


¡¡¡¡Éè¼ÆÐèÕûºÏµçÔ´¼Ü¹¹ÓÅ»¯¡¢¸ßÎÂÔª¼þÑ¡ÐÍ¡¢PDN×迹¿ØÖÆ¡¢É¢Èȼ°±£»¤µç·£¨¹ýÁ÷¡¢¹ýѹ£© £¬²¢¾­ÑÏ¿áÑéÖ¤¡£Ëæ×ÅоƬ¹¦ºÄÓ뼯³É¶ÈÌáÉý £¬ÐèÒ»Á¬ÓÅ»¯ÒÔÓ¦¶Ô´óµçÁ÷¡¢¸ü¸ßζȵÈÌôÕ½¡£


¡¡¡¡CTI9888À­Ë¹Î¬¼Ó˹¼ì²âÓµÓÐÂÄÀú¸»ºñµÄÓ²¼þÉè¼ÆÍŶÓ £¬´ÓԭͼÉè¼Æ¡¢PCB layout¡¢·ÂÕæµ½Éú²ú×é×°ÓÐרҵ¹¤³ÌְԱΪÄú²ã²ã°Ñ¹Ø¡£¿ÉΪÄúÌṩоƬ¿É¿¿ÐÔ²âÊÔµÄÓ²¼þ¡¢ÊµÑé¡¢ÆÊÎöÈ«Á÷³Ì¼¯³É·þÎñ¡£

 


¡¡¡¡µçÔ´·ÂÕæÍ¼&µçѹÂþÑÜͼ

ÍøÕ¾µØÍ¼